- Обзор
- Характеристики
- (0)
Компрессор ARB CKMP12 12В портативный переносной
Engineered to suit any off road adventure and the most popular in the range, this portable air compressor has been constructed entirely of lightweight, high grade materials and is mounted in a durable case offering easy carrying and storage.
It features a hard anodised cylinder bore and a Teflon impregnated carbon fibre piston seal for reduced friction and maximum trouble free life. Coming with a 6 metre air hose and battery clips, the kit includes all the necessary fittings to inflate tyres and camping or leisure gear.
Features:
- Portable 12V DC air compressor with 6m (20ft) tyre inflation hose
- Class leading flow rate
- Sealed for moisture and dust resistance
- Hard anodised cylinder bore for reduced friction
- Teflon impregnated carbon fibre piston seal for maximum trouble free life
- Anodised mounting bracket dissipates motor heat
- Quality components for quiet operation and extra long life
- Constructed entirely of lightweight, high strength engineering grade materials
- Over-pressure safety valve equipped
- Motor is internally thermal protected against extreme temperature damage
- Heavy duty maxi-fuse equipped for professional in-line circuit protection
- Conveniently mounted in a durable carry case
Скачать спецификации всей линейки компрессоров можно по ссылке
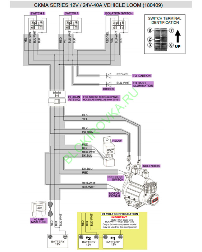
Схема устройства и подключения компрессора ARB CKMP12
This portable 12V air compressor comes in a durable polypropylene carry case for added versatility and uses quality components for quiet operation and extra long life. Including a 19ft air hose, it also comes with all the necessary fittings for tire inflation and camping or leisure gear.
P.S. Цена указана при покупке компрессора вместе с блокировкой, если компрессор заказывается отдельным заказом напрямую из США, то цена на 2 тыс.руб. выше.





