- Обзор
- Характеристики
- (0)
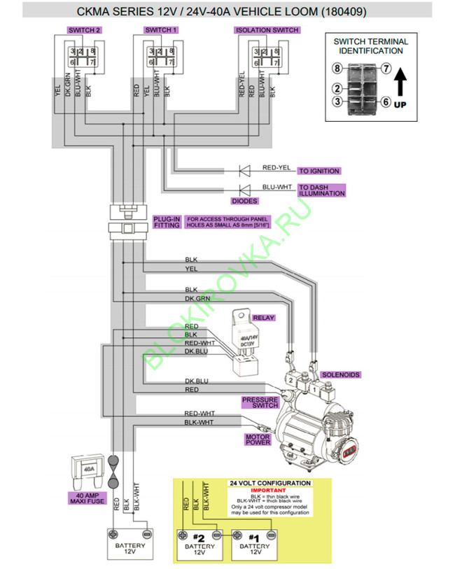
Китайский компрессор HF для блокировок (аналог CKMA12)
Есть в наличии в Москве и во Владивостоке.
Является аналогом компрессора ARB CKMA12.
В комплекте:
- Компрессор с ресивером и клапаном ограничивающим давление
- Проводка с кнопкой, реле и предохранителем
Пневмосоленоиды не идут в комплекте с компрессором - они идут в коробке с блокировкой.
Обратите внимание, чтобы пользоваться подкачкой, необходимо установить тройник, который идет в комплекте с шлангом подкачки колес HF 171302 PUKT, в который вкручивается быстроразъем для подкачки и клапан ограничения давления.

















